Series Circuits—Resistance and Impedance : Effective resistance , Skin effect , Eddy current losses , Hysteresis losses and Dielectric losses.

Series Circuits — Resistance and Impedance
EFFECTIVE RESISTANCE

The effective resistance is the resistance that a circuit or component offers to alternating current. Also known as ac resistance, it may vary with the frequency, current, or voltage of the circuit. Effective resistance must not be confused with impedance. The quantity resulting from the combination of effective resistance and reactance is impedance.

SKIN EFFECT

Alternating current tends to flow along the surface of a conductor. Direct current acts through the entire cross-sectional area of the conductor in a uniform manner. The name skin effect is given to the action whereby alternating current is forced toward the surface of a conductor. Because of the skin effect, there is less useful copper conducting area with alternating current. As a result, there is an increase in resistance.

EDDY CURRENT LOSSES

Alternating current in a conductor or circuit sets up an alternating magnetic field. Eddy currents are induced by this field in any metal near the conductor. For example, eddy current losses occur in the iron cores of reactors, transformers, and stator windings in ac generators and motors. A reduction in eddy currents is achieved by laminating the cores used in ac equipment. However, there are small I2R losses in each lamination of the core.

HYSTERESIS LOSSES

In alternating current, the direction of current is constantly changing. This means that the lines of force of the magnetic field are also changing direction repeatedly. In other words, millions of molecules reverse direction in the process of magnetizing, demagnetizing, and remagnetizing the structure of any iron core or other metallic material adjacent to the conductors of an ac circuit.

As these molecules reverse their direction with each change of magnetization, molecular friction results. Power is required to overcome this molecular friction. This loss occurs as heat in the metallic structure and is known as hysteresis loss. The ac circuit adjacent to the metallic material must supply the power in watts to overcome this hysteresis loss. All ac generators, ac motors, transformers, and other ac equipment experience hysteresis loss. To reduce this loss, special steels are used for the core structure. For example, silicon steel may be used because it has a relatively low molecular friction loss.

DIELECTRIC LOSSES

As the impressed voltage rises to a maximum value twice in each cycle, a voltage stress is placed on the insulation of the conductor. Such a stress occurs first in one direction and then in the other. As a result, there is a small heat loss in the insulation. This loss is called the dielectric loss and is very small when compared to the other losses in the circuit due to the skin effect, eddy currents, and hysteresis. Usually the dielectric loss can be neglected.

The losses just described all require the use of power supplied by the electrical circuit. The power in watts is expressed by the formula P = I2 R. This formula can be rearranged to find the resistance: R = P --: I2. Thus, if the power increases while the current remains the same, the effective resistance increases.

For ac circuits, “R” represents the effective ac resistance. The dc resistance, or the true ohmic resistance, in an ac circuit may be designated as “R .”

image

Representing DC and Effective (AC) Resistance

Figure 4–1 shows an impedance triangle. The base of the triangle represents the effective resistance. This resistance is divided into five parts representing the true dc resistance and the four losses just described.

Problem in DC and AC Resistance

A practical circuit problem can be used to compare the meanings of the true ohmic (dc) resistance and the effective (ac) resistance. Figure 4–2 shows a reactor coil (reactor), with a laminated silicon steel core, connected to a dc source.

image

The pure ohmic resistance of the reactor can be measured using the ammeter– voltmeter method. A bank of lamps is inserted in series with the reactor to limit the current to a safe value. The true ohmic resistance of the reactor in Figure 4–2 is

image

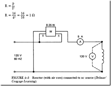
The iron core is now removed from the reactor, which is connected to a 120-V, 60-Hz source, as shown in Figure 4–3. This circuit does not require a current-limiting resistor connected in series with the reactor. Because the reactor is energized from an ac source, there is enough inductive reactance in the reactor to limit the current to a safe value. As a result, the bank of lamps is removed from the circuit.

Using the values given in Figure 4–3, the effective (ac) resistance of the air core reactor is

image

It has been determined that the dc (true ohmic) resistance is 0.25 n. The effective ac resistance is 0.33 n. The slight increase in effective resistance compared to the dc resistance is due to the skin effect and dielectric losses.

The reactor shown in Figure 4–4 has a laminated iron core. The power increases from 8.25 to 16 W, even though the current decreases from 5 to 4 A. This means that the effective resistance increased.

image

image

Increase of Effective (AC) Resistance. The increase in the effective (ac) resistance from

to 1 n is due to the eddy current and hysteresis losses in the steel core. The addition of the laminated core to the reactor results in a greater power loss in the reactor because of the skin effect and the dielectric, eddy current, and hysteresis losses. The increased power loss means there is also an increase in the effective resistance. Recall that the true ohmic resistance of the reactor is 0.25 n.

When the laminated core of the reactor is replaced with a solid cast-iron core (Figure 4–5), the voltage is still 120 volts and the current is 4.5 A. However, the wattmeter shows that there is a great increase in the power expended in the coil. Why does the power increase with a solid cast-iron core?

The constantly changing field induces voltages in the solid core. The resulting eddy currents have a low-resistance circuit path and are higher in value. Thus, the I2R losses are greater. In addition, the hysteresis loss (molecular friction loss) is greater in the cast-iron core than in the silicon steel core. These increases in the eddy current and the hysteresis losses mean that more true power in watts is delivered to the reactor. As a result, the effective resistance of the reactor for this circuit increases:

image

Effect of Higher Frequencies on AC Resistance. The effective resistance of alternating- current equipment at low frequencies, such as 60 Hz, can be several times greater than the true ohmic resistance. In the high-frequency range, the effective resistance can be many times higher than the dc resistance. This increased resistance is due to the fact that the skin effect, dielectric losses, eddy current losses, and hysteresis losses all increase with an increase in frequency.

clip_image012

FIGURE 4–5 Reactor coil (with solid cast-iron core) connected to ac source (Delmar/Cengage Learning)

Table 4–1 summarizes the resistance, reactance, and current ranges for various circuits.

image

Labels: